
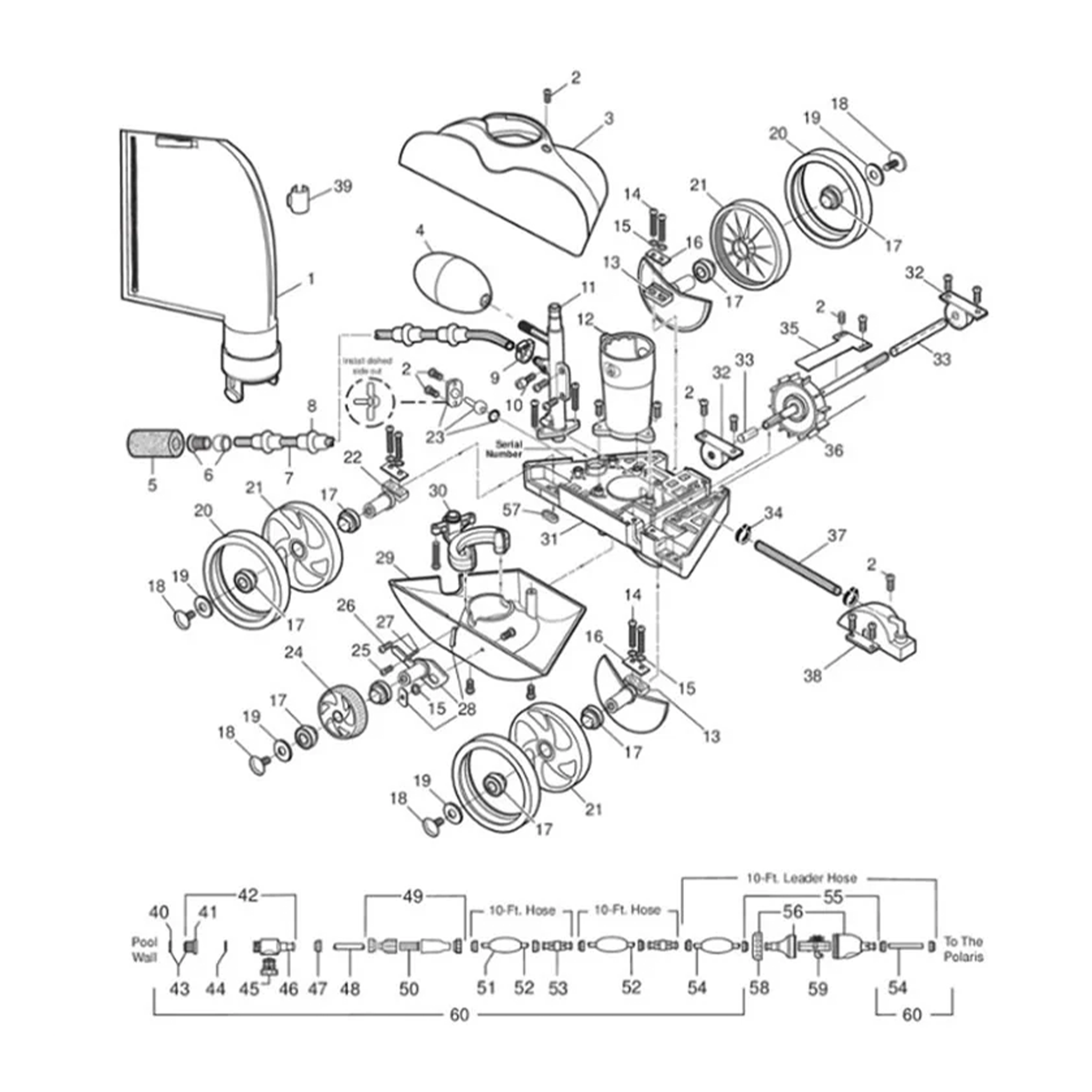
Cleaner Parts List: Polaris 280
Find Polaris 280 Parts here. Use the Polaris 280 parts diagram to find the parts you need. Scroll down to view the full list of Polaris 280 pool cleaner parts and accessories. The Polaris Vac-Sweep 280 pressure-side pool cleaner works in all in-ground pools and requires a booster pump. Powered by double jets for more vacuum power and faster cleaning (3 hours or less), the Polaris 280 pool cleaner easily connects to a dedicated pressure line to sweep, scrub, and vacuum all pool surfaces. This Polaris pressure cleaner is equipped with a single chamber filter bag where it captures large debris such as leaves, acorns, pebbles, and other debris of all sizes. Its unique filter bag will remove debris before it reaches your pump basket or filter, prolonging the life of your filtration system. Please scroll down to see the full list of Polaris 280 parts and accessories.
Parts List

Polaris Vac-Sweep 280 / 280 TankTrax Pressure Cleaner All Purpose Zippered Bag | K13
View Details
Polaris 3900 Sport / Vac-Sweep 280 / 280 TankTrax / 180 and Quattro Sport Pressure Cleaner Screw, 10-32 x 3/8" SS Pan Head | C40
View Details
Polaris Vac-Sweep 380 / 360 / 280 / 280 TankTrax / 180 Pressure Cleaner Float, Head | A20
View Details
Pressure Cleaner Sweep Hose Scrubber Polaris 3900 Sport/Vac-Sweep 380/360/280/180/280 TankTrax and TR35P/TR36P
View Details
Polaris 3900 Sport / Vac-Sweep 380 / 360 / 280 / 180 / 280 TankTrax and TR35P / TR36P Pressure Cleaner Sweep Hose Scrubber, 3/PK | R0522400
View Details
Polaris 3900 Sport / Vac-Sweep 380 / 280 / 180 / 280 TankTrax and TR35P Pressure Cleaner Orifice Tip w/ Orifice Tip Guard | B25
View Details
Polaris Vac-Sweep 380 / 280 / 180 / 280 TankTrax Pressure Cleaner Sweep Hose Complete
View Details
Polaris Vac-Sweep 380 / 360 / 280 / 180 / 280 TankTrax Pressure Cleaner Sweep Hose Attachment Clamp | B15
View Details
Pressure Cleaner Adjustment Screw, Sweep Hose for Polaris Vac-Sweep 380/360/280/180/280 TankTrax and TR35P/TR36P Pressure Cleaner Adjustment Screw, Sweep Hose | B20
View Details
Polaris Vac-Sweep 280 / 180 / 280 TankTrax Pressure Cleaner Axle, Large (w/ Sand/ Gravel Guard) | C66
View Details
Polaris Vac-Sweep 280 / 280 TankTrax Pressure Cleaner Screw, 10-32 x 7/8" SS Pan (2/Pk) | C76
View Details
Polaris Vac-Sweep 280 / 180 / 280 TankTrax Pressure Cleaner Lock Washer for C36 | C45
View Details
Polaris Vac-Sweep 280 / 180 / 280 TankTrax Pressure Cleaner Axle Plate for C65/C66 | C70
View Details
Polaris Vac-Sweep 280 / 180 / 280 TankTrax and Quattro Sport Pressure Cleaner Ball Bearings, Wheel | C60
View Details
Polaris Vac-Sweep 380 / 360 / 280 / 180 / 280 TankTrax Pressure Cleaner Tire, Max Trax
View Details
Polaris Vac-Sweep 280 / 180 / 280 TankTrax Pressure Cleaner Wheel, Large (No Bearings Incl.)
View Details
Polaris Vac-Sweep 380 / 360 / 280 / 180 / 280 TankTrax and TR35P / TR36P Pressure Cleaner Thrust Jet Kit
View Details
Polaris Vac-Sweep 280 / 280 TankTrax Pressure Cleaner Water Management System | K25
View Details
Polaris Vac-Sweep 280 / 180 / 280 TankTrax Pressure Cleaner Ball Bearings, Turbine
View Details
Polaris Vac-Sweep 380 / 360 / 280 / 180 / 280 TankTrax and TR35P / TR36P Pressure Cleaner Hose Clamp for WMS
View Details
Polaris Vac-Sweep 280 / 180 / 280 TankTrax Pressure Cleaner Hose for C110, 7 1/2" | C120
View Details
Polaris Vac-Sweep 280 / 180 / 280 TankTrax Pressure Cleaner Turbine Cover w/ Elbow | C110
View Details
Polaris 3900 Sport / Vac-Sweep 380 / 280 / 180 / 280 TankTrax /TR35P and Quattro Sport Pressure Cleaner UWF Restrictor Disks, Red & Blue
View Details
Polaris Vac-Sweep 380 / 360 / 280 / 180 / 165 / 65 / Turbo Turtle and 280 TankTrax Pressure Cleaner Universal Wall Fitting (UWF)
View Details
Polaris Vac-Sweep 380 / 280 / 180 / 280 TankTrax Pressure Cleaner UWF Connector Assy | 9-100-9001
View Details
Polaris 3900 Sport / Vac-Sweep 380 / 280 / 180 / 280 TankTrax / TR35P and Quattro Sport Pressure Cleaner UWF Restrictor Kit | 10-108-00
View Details
Polaris 3900 Sport / Vac-Sweep 380 / 360 / 280 / 180 / 165 / 65 / Turbo Turtle / 280 TankTrax / Quattro Sport and TR35P / TR36P Pressure Cleaner O-ring, UWF
View Details
Polaris Vac-Sweep 380 / 280 / 180 / 280 TankTrax Pressure Relief Valve | 9-100-9002
View Details
Polaris Vac-Sweep 380 / 280 / 180 / 280 TankTrax Pressure Cleaner Quick Disconnect, UWF | D29
View Details
Polaris Vac-Sweep 380 / 280 / 180 / 280 TankTrax Pressure Cleaner Adapter Hose, 8 1/2"
View Details
Polaris Vac-Sweep 380 / 280 / 280 TankTrax Pressure Cleaner In-Line Filter Assembly | 48-080
View Details
Polaris 3900 Sport/ Vac-Sweep 380 / 280 / 280 TankTrax / Quattro Sport and TR35P Pressure Cleaner Screen, In-line Filter | 48-222
View Details
Polaris Vac-Sweep 380 / 280 / 180 / 280 TankTrax Pressure Cleaner Float, Feed Hose | D10
View Details
Polaris Vac-Sweep 380 / 280 / 180 / 280 TankTrax Pressure Cleaner Feed Hose, 10' | D45
View Details
Polaris Vac-Sweep 380 / 280 / 180 / 280 TankTrax Pressure Cleaner Swivel, Ball Bearing | D20
View Details
Polaris Vac-Sweep 380 / 280 / 180 / 280 TankTrax Pressure Cleaner Feed Hose, Leader, 10'
View Details
Polaris Vac-Sweep 380 / 280 / 180 / 280 TankTrax Pressure Cleaner Back-up Valve Kit | G52
View Details
Polaris Vac-Sweep 380 / 280 / 180 / 280 TankTrax Pressure Cleaner Back-Up Valve Case Only (No Internals)
View Details
Polaris Vac-Sweep 280 / 280 Tank Trax Pressure Cleaner Wheel Block w/ Inserts | R0706000
View Details
Polaris Vac-Sweep 380 / 280 / 180 / 280 TankTrax Pressure Cleaner Collar, Back-up Valve | G57
View Details
Polaris 3900 Sport / Vac-Sweep 380 / 280 / 180 / 280 TankTrax and TR35P Pressure Cleaner Mechanism for Backup Valve | G53
View Details